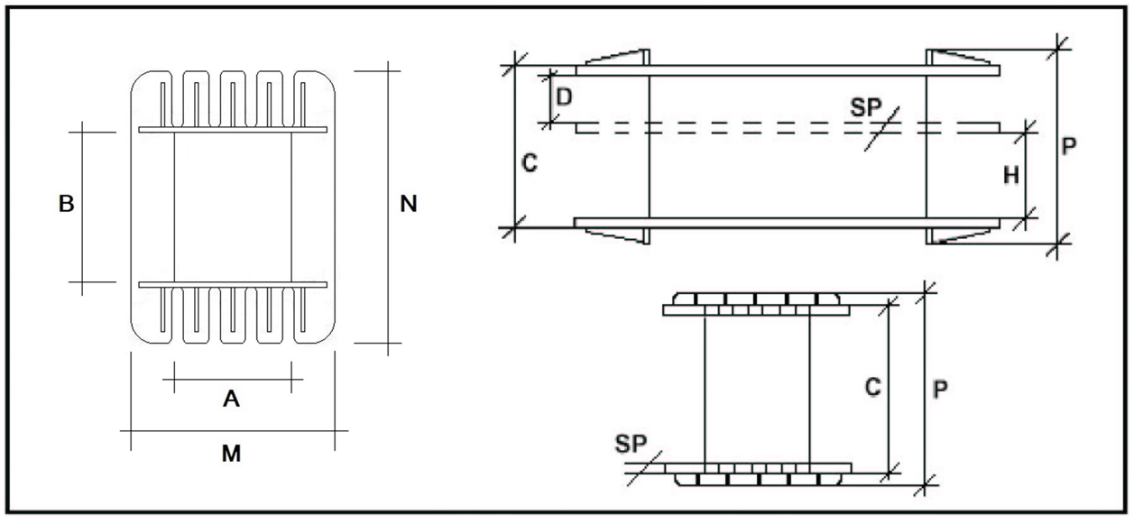
LAMIERINO 90X108
LAMINATION 90X108

TIPO/TYPE | ART.N. | A | B | C | D | H | SP | M | N | P |
EI108/36 | 1261 | 36,0 | 36,0 | 53,2 |
|
| 1,8 | 71,0 | 80,0 | 61,0 |
EI108/45 | 1262 | 36,0 | 45,0 | 53,2 |
|
| 1,8 | 70,5 | 87,0 | 61,0 |
EI108/50 | 1263 | 36,0 | 50,0 | 53,2 |
|
| 1,8 | 70,5 | 95,0 | 61,0 |
EI108/55 | 1264 | 36,0 | 55,0 | 53,2 |
|
| 1,8 | 70,5 | 97,0 | 61,0 |
EI108/60 | 1265 | 36,0 | 60,0 | 53,2 |
|
| 1,8 | 70,5 | 103,5 | 61,0 |
EI108/70 | 1266 | 36,0 | 70,0 | 53,2 |
|
| 1,8 | 70,5 | 113,0 | 61,0 |