
LAMIERINO 105X126
LAMINATION 105X126

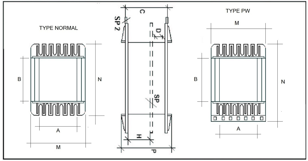
TIPO/TYPE | ART.N. | A | B | S | D | H | SP | SP2 | M | N | P |
EI126/42 | 42,0 | 42,0 | 62,6 | 1,7 | 81,6 | 88,4 | 68,0 | ||||
EI126/50 | 42,0 | 50,0 | 62,6 | 1,7 | 81,6 | 97,0 | 68,0 | ||||
EI126/60 | 42,0 | 60,0 | 62,6 | 1,7 | 81,6 | 106,2 | 68,0 | ||||
EI126/70 | 42,0 | 70,0 | 62,6 | 1,7 | 81,6 | 115,8 | 68,0 | ||||
EI126/80 | 42,0 | 80,0 | 62,6 | 1,7 | 81,6 | 126,0 | 68,0 | ||||
EI126/90 | 42,0 | 90,0 | 62,6 | 1,7 | 81,6 | 132,0 | 68,0 | ||||
EI126/42/2 | 42,0 | 42,0 | 62,6 | 27,3 | 29,5 | 1,7 | 2,0 | 81,6 | 88,4 | 68,0 | |
EI126/50/2 | 42,0 | 50,0 | 62,6 | 27,3 | 29,5 | 1,7 | 2,0 | 81,6 | 97,0 | 68,0 | |
EI126/60/2 | 42,0 | 60,0 | 62,6 | 27,3 | 29,5 | 1,7 | 2,0 | 81,6 | 106,2 | 68,0 | |
EI126/70/2 | 42,0 | 70,0 | 62,6 | 27,3 | 29,5 | 1,7 | 2,0 | 81,6 | 115,8 | 68,0 | |
EI126/80/2 | 42,0 | 80,0 | 62,6 | 27,3 | 29,5 | 1,7 | 2,0 | 81,6 | 126,0 | 68,0 | |
EI126/90/2 | 42,0 | 90,0 | 62,6 | 27,3 | 29,5 | 1,7 | 2,0 | 81,6 | 132,0 | 68,0 | |
EI126/42/PW | 42,0 | 42,0 | 62,6 | 1,7 | 81,6 | 96,4 | 68,0 | ||||
EI126/50/PW | 42,0 | 50,0 | 62,6 | 1,7 | 81,6 | 103,5 | 68,0 | ||||
EI126/60/PW | 42,0 | 60,0 | 62,6 | 1,7 | 81,6 | 113,8 | 68,0 | ||||
EI126/70/PW | 42,0 | 70,0 | 62,6 | 1,7 | 81,6 | 123,8 | 68,0 | ||||
EI126/80/PW | 42,0 | 80,0 | 62,6 | 1,7 | 81,6 | 134,0 | 68,0 | ||||
EI126/90/PW | 42,0 | 90,0 | 62,6 | 1,7 | 81,6 | 140,0 | 68,0 | ||||
EI126/42/2/PW | 42,0 | 42,0 | 62,6 | 27,3 | 29,5 | 1,7 | 2,0 | 81,6 | 96,4 | 68,0 | |
EI126/50/2/PW | 42,0 | 50,0 | 62,6 | 27,3 | 29,5 | 1,7 | 2,0 | 81,6 | 103,5 | 68,0 | |
EI126/60/2/PW | 42,0 | 60,0 | 62,6 | 27,3 | 29,5 | 1,7 | 2,0 | 81,6 | 113,8 | 68,0 | |
EI126/70/2/PW | 42,0 | 70,0 | 62,6 | 27,3 | 29,5 | 1,7 | 2,0 | 81,6 | 123,8 | 68,0 | |
EI126/80/2/PW | 42,0 | 80,0 | 62,6 | 27,3 | 29,5 | 1,7 | 2,0 | 81,6 | 134,0 | 68,0 | |
EI126/90/2/PW | 42,0 | 90,0 | 62,6 | 27,3 | 29,5 | 1,7 | 2,0 | 81,6 | 140,0 | 68,0 |