
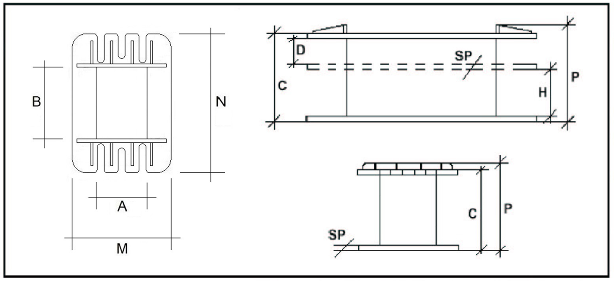
LAMIERINO 112X135
LAMINATION 112X135

TIPO/TYPE | ART.N. | A | B | C | D | H | SP | M | N | P |
EI135/45 | 45,5 | 45,0 | 66,0 | 2,0 | 89,0 | 101,0 | 71,0 | |||
EI135/45/2 | 45,5 | 45,0 | 66,0 | 30,0 | 32,5 | 2,0 | 89,0 | 101,0 | 71,0 | |
EI135/50 | 45,5 | 50,0 | 66,0 | 2,0 | 89,0 | 106,5 | 71,0 | |||
EI135/50/2 | 45,5 | 50,0 | 66,0 | 30,0 | 32,5 | 2,0 | 89,0 | 106,5 | 71,0 | |
EI135/60 | 45,5 | 60,0 | 66,0 | 2,0 | 89,0 | 117,0 | 71,0 | |||
EI135/70 | 45,5 | 70,0 | 66,0 | 2,0 | 89,0 | 126,5 | 71,0 | |||
EI135/90 | 45,5 | 90,0 | 66,0 | 2,0 | 89,0 | 147,0 | 71,0 |