
LAMIERINO 50X60
LAMINATION 50X60

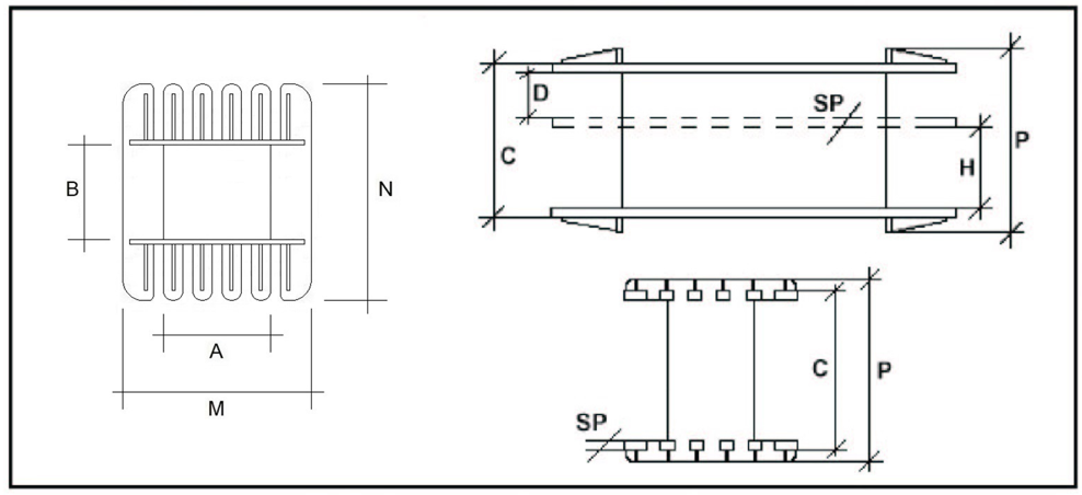
TIPO/TYPE | ART.N. | A | B | C | D | H | SP | M | N | P |
EI60/20 | 20,5 | 20,0 | 29,5 | 1,2 | 38,5 | 45,0 | 37,3 | |||
EI60/20/2 | 1221 | 20,5 | 20,0 | 29,5 | 10,8 | 1,2 | 38,5 | 45,0 | 37,3 | |
EI60/25 | 1222 | 20,5 | 25,0 | 29,5 | 1,2 | 38,5 | 50,0 | 37,3 | ||
EI60/25/2 | 1223 | 20,5 | 25,0 | 29,5 | 12,2 | 13,6 | 1,2 | 38,5 | 50,0 | 37,3 |