
LAMIERINO 62.5X75
LAMINATION 62.5X75

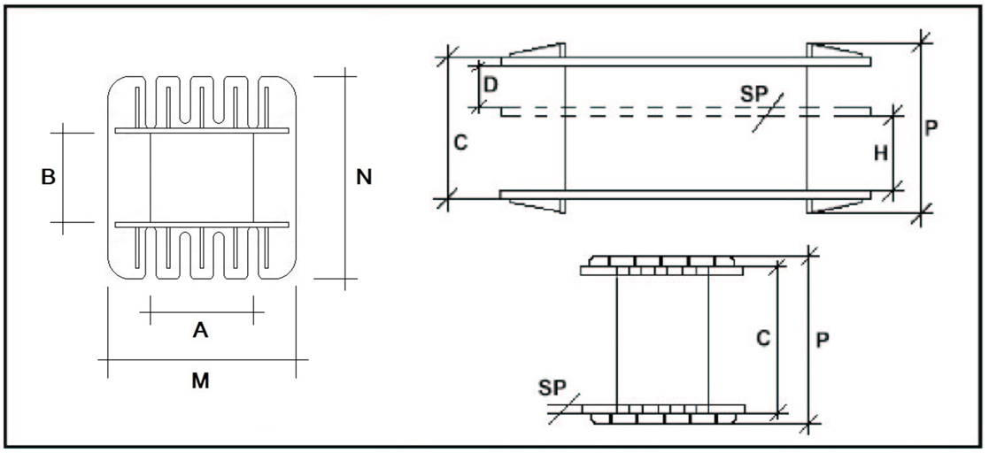
TIPO/TYPE | ART.N. | A | B | C | D | H | SP | M | N | P |
EI75/25 | 25,5 | 25,0 | 36,8 | 56,5 | 42,0 | |||||
EI75/25/2 | 25,5 | 25,0 | 36,8 | 15,0 | 17,5 | 1,0 | 49,0 | 56,5 | 42,0 | |
EI75/30 | 25,5 | 30,0 | 36,8 | 1,0 | 49,0 | 73,5 | 42,0 | |||
EI75/30/2 | 25,5 | 30,0 | 36,8 | 15,0 | 17,5 | 1,0 | 49,0 | 73,5 | 42,0 | |
EI75/35 | 25,5 | 35,0 | 36,8 | 1,0 | 49,0 | 64,5 | 42,0 | |||
EI75/35/2 | 25,5 | 35,0 | 36,8 | 15,0 | 17,5 | 1,0 | 49,0 | 64,5 | 42,0 | |
EI75/40 | 25,5 | 40,0 | 36,8 | 1,0 | 49,0 | 72,5 | 42,0 | |||
EI75/40/2 | 25,5 | 40,0 | 36,8 | 15,0 | 17,5 | 1,0 | 49,0 | 72,5 | 42,0 |