

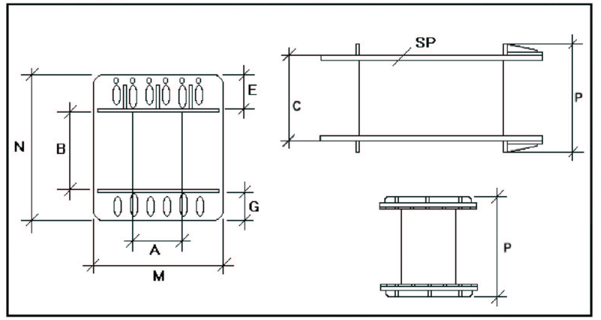
TIPO/TYPE | ART.N. | A | B | C | SP | M | N | P | E | G |
Q 19 | 19,0 | 21,0 | 36,0 | 1,5 | 41,5 | 56,0 | 45,0 | 20,0 | 15,0 | |
Q 25 | 19,0 | 26,5 | 36,0 | 1,5 | 43,0 | 62,0 | 45,0 | 20,5 | 15,0 | |
Q 38 | 2710/N | 19,0 | 39,5 | 36,0 | 1,5 | 43,0 | 72,0 | 45,0 | 17,5 | 15,0 |
T 25 | 22,5 | 26,5 | 49,0 | 1,5 | 52,5 | 67,0 | 57,0 | 22,5 | 18,0 | |
T 32 | 2696/N | 22,5 | 33,5 | 49,0 | 1,5 | 52,5 | 73,0 | 57,0 | 21,5 | 18,0 |
U 32 | 22,5 | 33,5 | 54,0 | 1,5 | 58,5 | 79,0 | 62,0 | 24,5 | 21,0 | |
U 38 | 23,0 | 40,0 | 54,0 | 1,5 | 58,0 | 85,0 | 62,0 | 24,0 | 21,0 | |
V 22 | 2698/N | 28,5 | 23,5 | 60,0 | 2,0 | 72,5 | 77,0 | 68,0 | 28,5 | 25,0 |
V 29 | 29,0 | 31,0 | 60,0 | 2,0 | 72,0 | 84,0 | 68,0 | 25,0 | 25,0 | |
V 38 | 2699/N | 29,0 | 39,0 | 60,0 | 2,0 | 72,0 | 93,0 | 70,0 | 29,0 | 25,0 |
V 51 | 29,0 | 53,0 | 60,0 | 2,0 | 72,5 | 107,0 | 70,0 | 29,0 | 25,0 | |
X 29 | 35,0 | 31,0 | 72,0 | 2,5 | 91,0 | 102,0 | 79,0 | 38,0 | 33,0 | |
X 51 | 35,0 | 53,0 | 72,0 | 2,5 | 90,0 | 121,0 | 79,0 | 35,0 | 33,0 |